Проектирование узла учёта тепловой энергии (УУТЭ) — это разработка технической документации, которая определяет архитектуру системы коммерческого учёта тепла. От качества проектирования зависят точность измерений, корректность начислений, стабильность работы оборудования и успешное согласование с теплоснабжающей организацией.
Нормативная база
Проектирование УУТЭ регламентируется:
- Постановлением Правительства РФ № 1034 «О коммерческом учёте тепловой энергии, теплоносителя»;
- Правилами коммерческого учёта тепловой энергии и теплоносителя;
- СП 41.101‑95 «Проектирование тепловых пунктов»;
- ГОСТ 21.101‑97 «Основные требования к проектной и рабочей документации»;
- ГОСТ 21.408‑93 «Правила выполнения рабочей документации автоматизации технологических процессов»;
- другими нормативными документами (СНиП, инструкции, ГОСТы).
Исходные данные для проектирования
Основой для разработки проекта служат:
-
Технические условия (ТУ) от теплоснабжающей организации. В них указываются:
- наименование и местонахождение потребителя;
- расчётные тепловые нагрузки по видам потребления (отопление, вентиляция, ГВС);
- параметры теплоносителя в точке поставки;
- температурный график подачи в зависимости от температуры наружного воздуха;
- требования к дистанционному снятию показаний.
Теплоснабжающая организация не вправе навязывать конкретные модели оборудования, но может давать рекомендации для унификации и организации дистанционного сбора данных.
- Паспортные данные и инструкции к выбранным приборам учёта. Тип теплосчётчика выбирает проектная организация совместно с заказчиком при условии соответствия оборудования установленным требованиям.
- Договор на теплоснабжение со всеми приложениями и изменениями, акты разграничения балансовой принадлежности.
Для объектов нового строительства также требуются условия подключения к тепловым сетям.
Ключевые аспекты проектирования
При разработке проекта учитываются:
- фактическая схема подключения (зависимая или независимая);
- наличие отдельных контуров отопления, вентиляции и ГВС;
- необходимость измерения возвратного теплоносителя;
- требования к прямым участкам перед преобразователями расхода;
- возможность безопасного обслуживания и поверки оборудования.
Стандартный узел учёта включает:
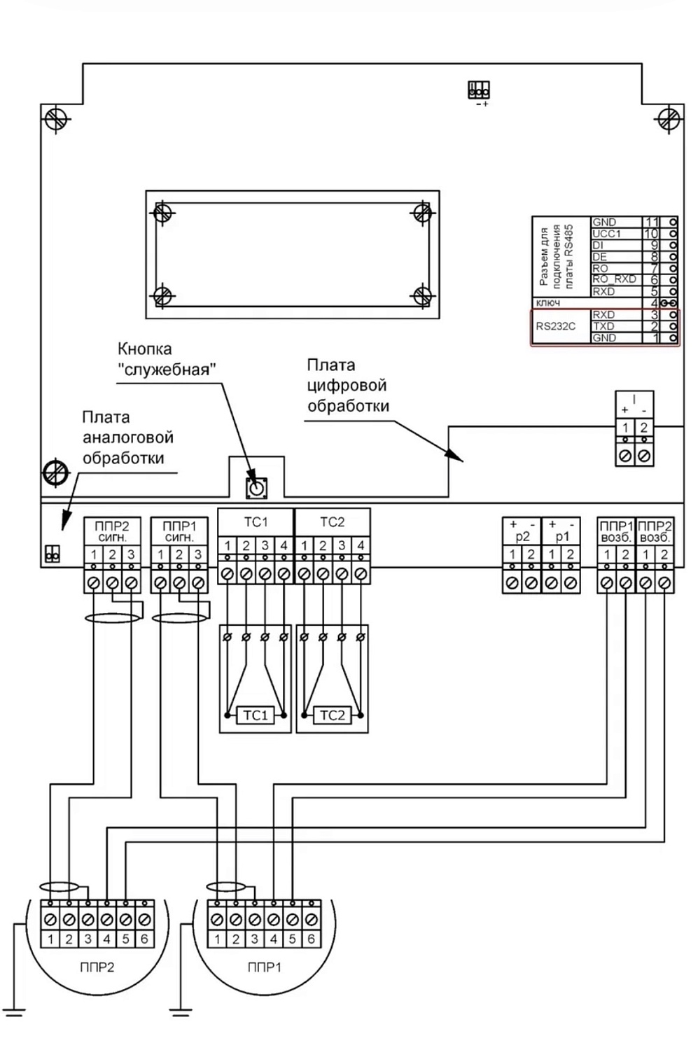
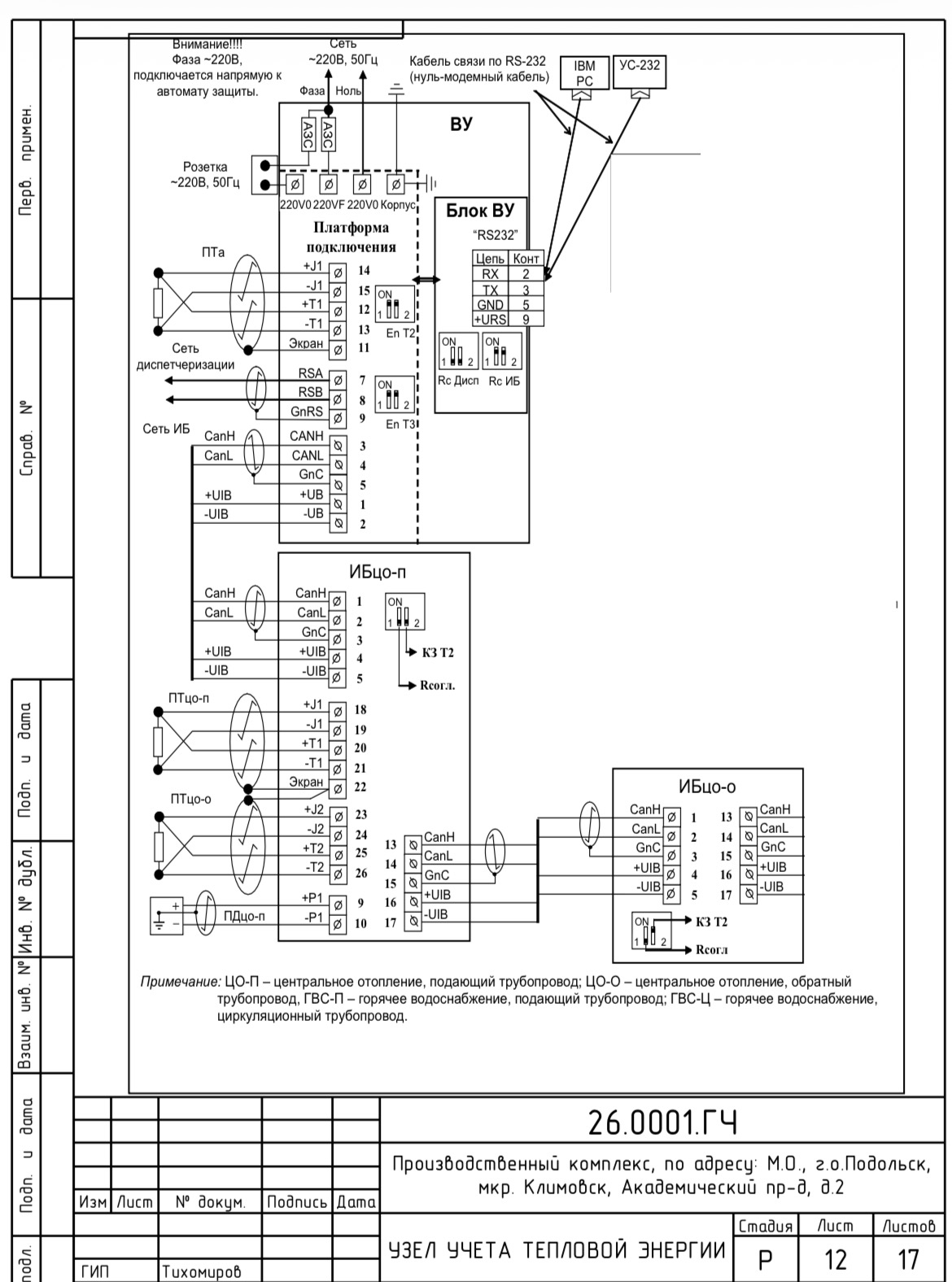
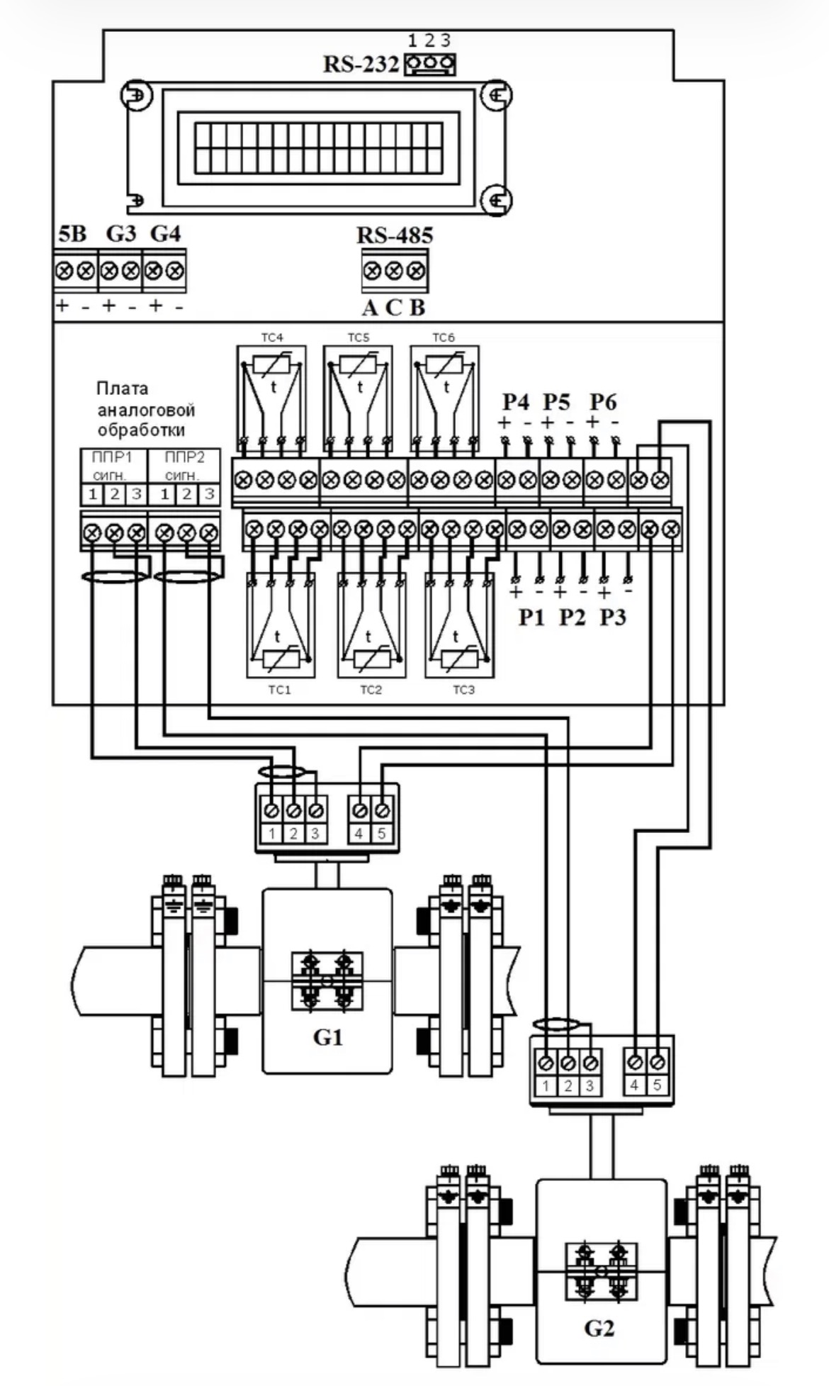
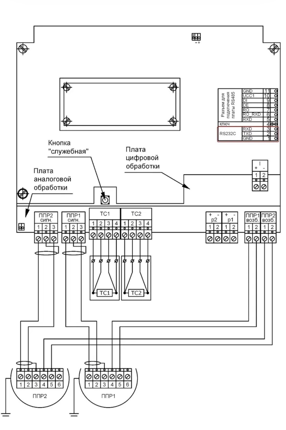
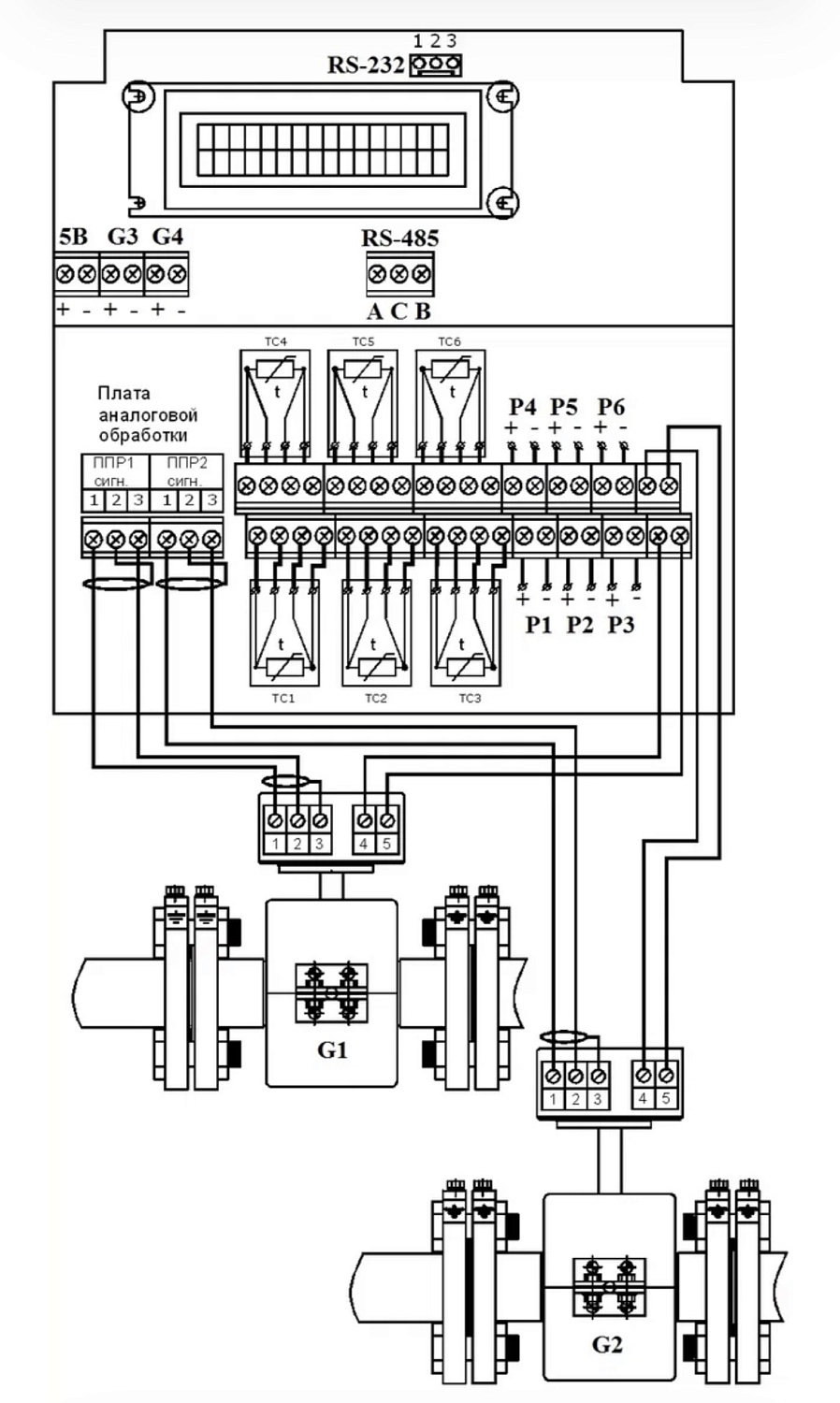
- Тепловычислитель — обрабатывает сигналы от измерительных устройств, рассчитывает объём потреблённого тепла и формирует архивы данных (часовые, суточные, месячные).
- Расходомеры — устанавливаются на подающем и обратном трубопроводах, а при наличии ГВС — на трубопроводах горячего водоснабжения. Диаметр приборов подбирается так, чтобы рабочие расходы не выходили за пределы нормируемого диапазона.
- Термопреобразователи — монтируются в трубопровод через погружные гильзы для измерения температуры теплоносителя.
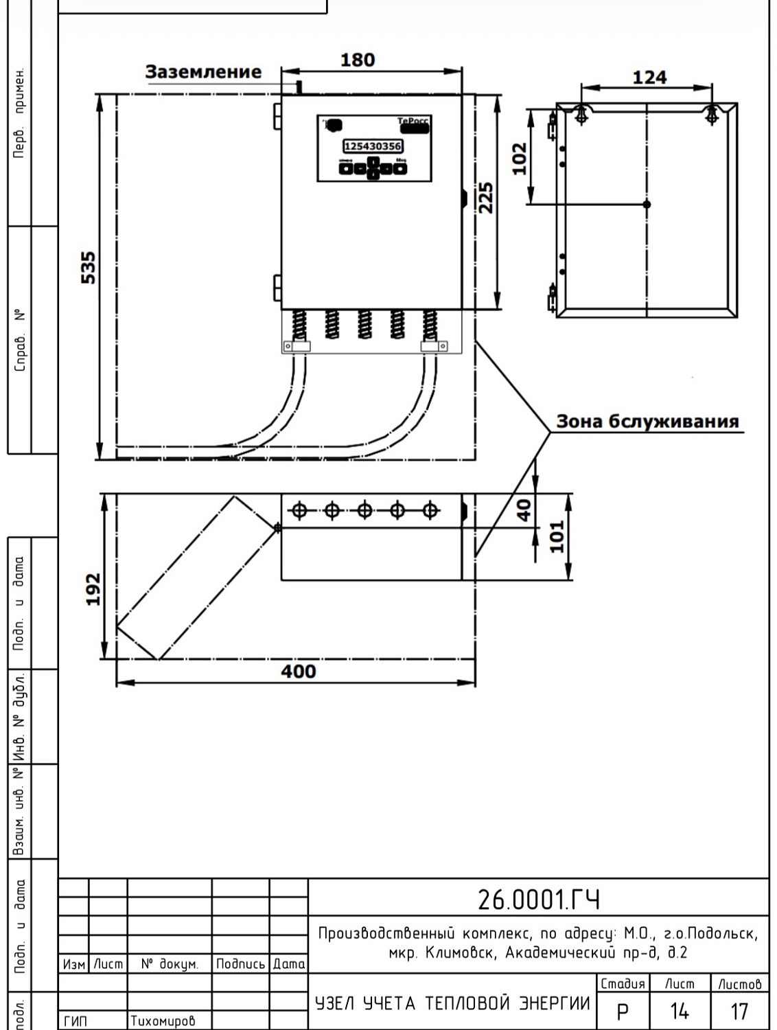
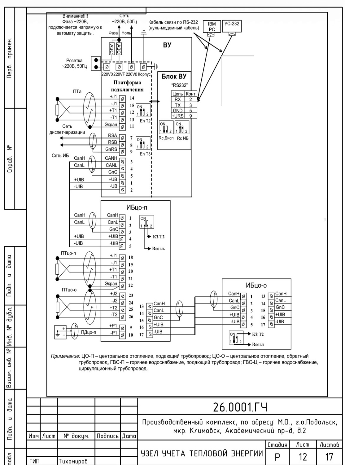
- Электронные компоненты — размещаются в шкафу КИПиА, защищающем от внешних воздействий и несанкционированного доступа.
При необходимости передачи данных в диспетчерскую включаются линии связи (кабели, GSM-модемы, интерфейсные модули).
Этапы проектирования
- Оформление технических условий. Инициатор направляет официальный запрос в теплоснабжающую организацию. Если в регламентный срок ТУ не поступили или не содержат требуемой информации, заказчик вправе вести разработку самостоятельно, уведомив об этом поставщика ресурса.
- Выезд на объект и обследование. Специалисты проводят визуальный осмотр помещения, где планируется установка узла учёта, оценивают состояние инженерных систем и сверяют фактическую схему подключения с документацией.
- Комплектация проектной документации. Включает договор поставки тепловой энергии, схему подключения к теплосетям, чертежи размещения УУТЭ и другие документы.
- Разработка проекта. Инженеры создают техническую документацию с учётом всех требований и данных, полученных на предыдущих этапах.
- Согласование с теплоснабжающей организацией. Проект передаётся на рассмотрение. Если выявлены недоработки, документ корректируется и подаётся на утверждение повторно.
Состав проектной документации
В проект обычно входят:
- титульный лист с данными заказчика, проектной организации и объекта;
- технические условия;
- расчётная‑пояснительная записка с указанием источника тепловой энергии, параметров теплоносителя, схем присоединения, выбора теплосчётчика и других данных;
- проект подключения потребителя к тепловой сети;
- принципиальная схема теплового пункта с УУТЭ;
- план теплового пункта с указанием мест установки датчиков и приборов учёта;
- электрические и монтажные схемы подключения приборов;
- схема пломбирования средств измерений;
- формулы расчёта тепловой энергии;
- база данных для настройки тепловычислителя;
- спецификация оборудования и материалов;
- другие документы в зависимости от требований.
Особые случаи
Если тепловая нагрузка объекта не превышает 0,2 Гкал/ч, допускается использование типовых проектных решений от изготовителя теплосчётчиков. Такие схемы адаптируют к реальным условиям — привязывают к планировке и уточняют монтажные размеры. Для более крупных нагрузок требуется индивидуальный проект с расчётным обоснованием каждого технического решения.
Важные требования
- Узел учёта оборудуется в месте, максимально приближённом к границе балансовой принадлежности трубопроводов.
- Приборы учёта должны быть внесены в Федеральный информационный фонд по обеспечению единства измерений.
- Вычислитель теплосчётчика должен иметь нестираемый архив, в который заносятся основные технические характеристики и настроечные коэффициенты.
- Помещение для установки приборов учёта должно быть снабжено отдельной шиной заземления, а климатические условия — соответствовать требованиям к эксплуатации приборов.
Проектирование УУТЭ должны выполнять квалифицированные специалисты из организаций, имеющих соответствующие допуски СРО. Ошибки на этапе проектирования могут привести к возврату документации, искажению показаний или необходимости реконструкции смонтированной системы.
